4A310-10
VPC Pneumatic
8412909000
| การแสดงประเภท: | |
|---|---|
| ความกดดันจากการทำงาน: | |
| อุณหภูมิในการทำงาน: | |
| ความถี่สูงสุด: | |
| วัสดุร่างกาย: | |
| สถานะห้องว่าง: | |
รายละเอียดสินค้า

ข้อมูลจำเพาะของผลิตภัณฑ์
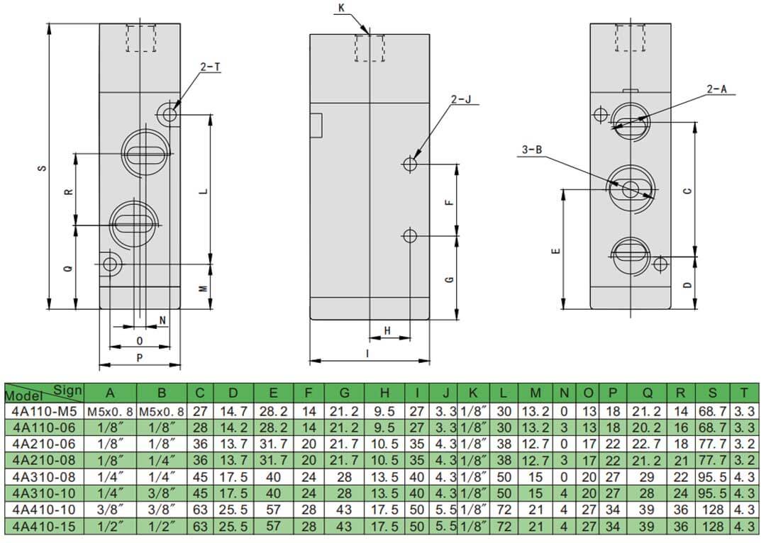
Mโอเดล | 4A110-M5 | 4A110-06 | 4A210-06 | 4A210-08 | 4A310-08 | 4A310-10 | 4A410-10 | 4A410-15 | |
| วอกำลังเริ่มต้น ปานกลาง | อากาศบริสุทธิ์ | ||||||||
| ประเภทการแสดง | คู่มือภายใน | ||||||||
ขนาดข้อต่อ | นำเข้า=M5 | นำเข้า=1/8 | นำเข้า=1/8 | นำเข้า=1/4 | นำเข้า=1/4 | นำเข้า=3/8 | นำเข้า=3/8 | นำเข้า=1/2 | |
| ส่งออก=M5 | ส่งออก=1/8 | ส่งออก=1/8 | ส่งออก=1/4 | ส่งออก=1/4 | ส่งออก=3/8 | ส่งออก=3/8 | ส่งออก=1/2 | ||
| ท่อไอเสีย=M5 | ท่อไอเสีย=1/8 | ท่อไอเสีย=1/8 | ท่อไอเสีย=1/8 | ไอเสีย=1/4 | ไอเสีย=1/4 | ท่อไอเสีย=3/8 | ไอเสีย=1/2 | ||
| พื้นที่หน้าตัด | 5.5 มม.² (ประวัติย่อ=0.31) | 12 ตร.ม (ประวัติย่อ=0.67) | 14 ตร.มม (ประวัติย่อ=0.78) | 16 ตร.ม (ประวัติย่อ=0.89) | 25ตร.มม (ประวัติย่อ=1.4) | 30ตร.มม (ประวัติย่อ=1.68) | 30ตร.มม (ประวัติย่อ=1.68) | 50ตร.มม (ประวัติย่อ=2.79) | |
| ความกดดันจากการทำงาน | 0.15 ถึง 0.8Mpa | ||||||||
| สูงสุดความดัน | 1.2Mpa | ||||||||
| อุณหภูมิในการทำงาน | -5 ถึง 60 ℃ | ||||||||
| วิธี | 2 ตำแหน่ง 5 พอร์ต | ||||||||
| วัสดุตัวเครื่อง | อลูมิเนียม | ||||||||
| การหล่อลื่น | เลขที่ | ||||||||
| Max.รักษาการความถี่ | 5 ครั้ง/วินาที | 4 ครั้ง/วินาที | 3 ครั้ง/วินาที | ||||||
ขนาดหลัก


ไม่พบสินค้า