5V210-06
VPC
8481804090
| สื่อการทำงาน: | |
|---|---|
| อุณหภูมิในการทำงาน: | |
| ความกดดันจากการทำงาน: | |
| การรับประกันคุณภาพ: | |
| สถานะห้องว่าง: | |
รายละเอียดสินค้า

ข้อมูลจำเพาะของผลิตภัณฑ์
■ 5V2□0□ ชุด
| แบบอย่าง | 5V210 | 5V220 | 5V230C | 5V230E | 5V230P |
| สื่อการทำงาน | อากาศ | ||||
| ประเภทการแสดง | คู่มือภายใน | ||||
| ขนาดพอร์ต | G1/4' | ||||
| ประเภทวาล์ว | 2 ตำแหน่ง 5 พอร์ต | 3 ตำแหน่ง 5 พอร์ต | |||
| ค่า CV | 0.67 | 0.58 | |||
| ความถี่การแสดงสูงสุด (Hz) | 12 | 6 | |||
| เวลาตอบสนอง (ms/0.5Mpa) | 15 | ||||
| ความกดดันจากการทำงาน | 0.15 ถึง 0.7Mpa | ||||
| อุณหภูมิในการทำงาน | -10 ถึง 60 ℃ | ||||
| ช่วงแรงดันไฟฟ้า | ไฟฟ้ากระแสสลับ: ±15% กระแสตรง:±10% | ||||
| ชั้นป้องกัน | IP65(DIN40050) | ||||
| เกรดทนความร้อน | B | ||||
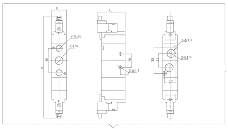
มิติข้อมูลหลัก
| แบบอย่าง | A | B | C | ||
| ประเภทวี | ประเภท H | ประเภท C | |||
| 5V210 | 96 | 97.2 | 102.5 | 22 | 41.3 |
| 5V220 | 119 | 121.4 | 132 | 22 | 41.3 |
| 5V230C | 138 | 140.4 | 151 | 22 | 41.3 |
| 5V230E | 138 | 140.4 | 151 | 22 | 41.3 |
| 230P | 138 | 140.4 | 151 | 22 | 41.3 |
ไม่พบสินค้า