เทนเนสซี
VPC Pneumatic
8412310090
| สื่อการทำงาน: | |
|---|---|
| การแสดงประเภท: | |
| ความกดดันจากการทำงาน: | |
| อุณหภูมิในการทำงาน: | |
| ช่วงความเร็ว: | |
| สถานะห้องว่าง: | |
คำอธิบายผลิตภัณฑ์

ข้อมูลจำเพาะของผลิตภัณฑ์
| เบื่อ (มม.) | 10 | 16 | 20 | 25 | 32 |
| สื่อการทำงาน | ทำความสะอาดอากาศ (40μm Filteration) | ||||
| การแสดงประเภท | การแสดงสองครั้ง | ||||
| ช่วงแรงดันในการทำงาน | 0.1 ถึง 0.9mpa | ||||
| รับประกันความดัน | 1.5mpa | ||||
| อุณหภูมิในการทำงาน | -5 ถึง 70 ℃ | ||||
| ช่วงความเร็ว | 30 ถึง 500 มม./s | ||||
| จังหวะที่ปรับได้ | -10 ถึง 0mm | ||||
| ประเภทเบาะ | เบาะยาง | ||||
| ไม่มีความแม่นยำในการหมุน | 0.4 ° | 0.3 ° | |||
| ขนาดพอร์ต | m5x0.8 | G1/8 | |||
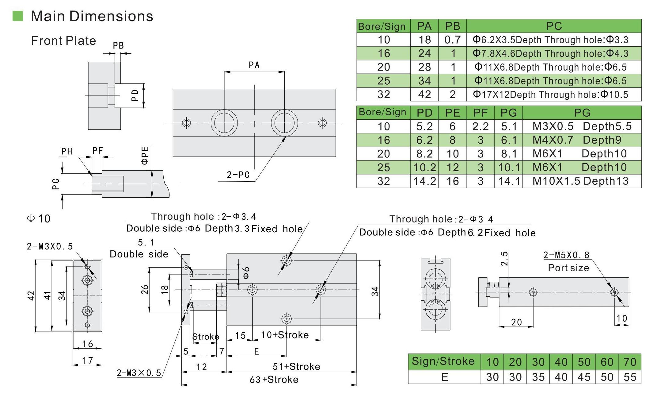
มิติหลัก


ไม่พบสินค้า