VZK
VPC Pneumatic
| ประเภทสุญญากาศ: | |
|---|---|
| : | |
| พอร์ตสูญญากาศ: | |
| ช่วงความดันที่กำหนด: | |
| ตำแหน่งต่างๆ นานา: | |
| สถานะห้องว่าง: | |
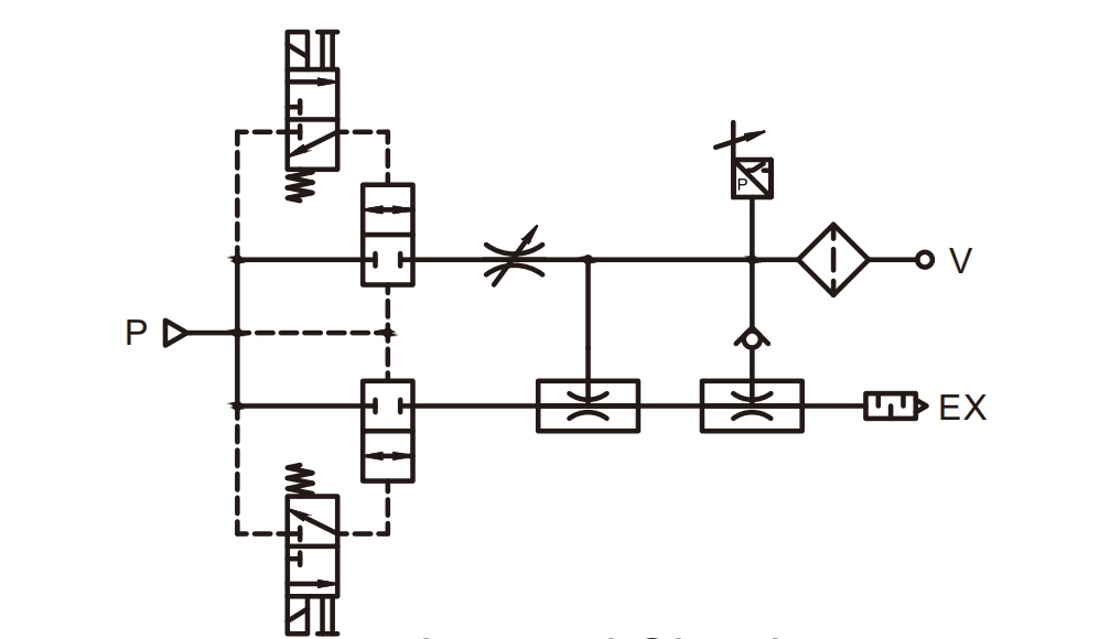
คำอธิบายผลิตภัณฑ์


ข้อกำหนดผลิตภัณฑ์
| สื่อการทำงาน | อากาศสุญญากาศ | |
| แรงกดดันในการทำงาน | 0.3 ถึง 0.7MPa | |
| ความดันสูญญากาศ | -100 ถึง 0kPa | |
| อุณหภูมิในการทำงาน | 5 ถึง 50 ℃ | |
| ช่วงความชื้นในการทำงาน | ความชื้นสัมพัทธ์ 35 ถึง 85% | |
| ความต้านทานการสั่นสะเทือน | 50 ม./วินาที² หรือน้อยกว่า | |
| ทนต่อแรงกระแทก | 150 ม./วินาที หรือน้อยกว่า | |
| สิ่งที่แนบมา | IP40 | |
| การหล่อลื่น | เลขที่ | |
| ความดันพิสูจน์ | แรงดัน | 0.8MPA |
| ความดันสูญญากาศ | 0.2MPA | |
* แรงดันพิสูจน์เพียงหมายถึง 'แรงดันที่ทำให้ผลิตภัณฑ์ ไม่ได้รับความเสียหาย' และเป็นแรงดันที่ สามารถใช้งานได้ตามปกติ
| สื่อการทำงาน | อากาศสุญญากาศ | |
| แรงกดดันในการทำงาน | 0.3 ถึง 0.7MPa | |
| ความดันสูญญากาศ | -100 ถึง 0kPa | |
| เส้นผ่านศูนย์กลางปากวาล์วสุญญากาศ | 4.2มม | |
| ช่วงอุณหภูมิและความชื้นในการทำงาน | 5 ถึง 50°C/35 ถึง 85% RH | |
| ความต้านทานการสั่นสะเทือน | 50 ม./วินาที² หรือน้อยกว่า | |
| ทนต่อแรงกระแทก | 150 ม./วินาที หรือน้อยกว่า | |
| สิ่งที่แนบมา | IP40 | |
| การหล่อลื่น | เลขที่ | |
| ความดันพิสูจน์ | แรงดัน | 0.8MPA |
| ความดันสูญญากาศ | 0.2MPA | |
* แรงดันพิสูจน์เพียงหมายถึง 'แรงดันที่ทำให้ผลิตภัณฑ์ไม่ได้รับความเสียหาย' และเป็นแรงดันที่สามารถใช้งานได้ตามปกติ
| ประเภทการดำเนินการ | การแสดงโดยตรง | |
| รูปแบบการควบคุม | ปิดปกติ | |
| เวลาตอบสนอง | ปิด→เปิด | 8.5ms |
| เปิด→ปิด | 8.5ms | |
* เวลาตอบสนองคือค่าเมื่อจ่ายแรงดันไฟฟ้าพิกัด 0.5 MPa (100%)
| ประเภทการดำเนินการ | การแสดงโดยตรง | |
| รูปแบบการควบคุม | ปิดปกติ | |
| เวลาตอบสนอง | ปิด→เปิด | 8.5ms |
| เปิด→ปิด | 8.5ms | |
* เวลาตอบสนองคือค่าเมื่อจ่ายแรงดันไฟฟ้าพิกัด 0.5 MPa (100%)
| ประเภทวาล์ว | วาล์วจ่าย, วาล์วปล่อย |
| วิธีการใช้งาน | การดำเนินงานโดยตรง |
| การก่อสร้างวาล์ว | ประเภทการแสดงโดยตรง |
| แรงดันไฟฟ้า | DC24V ± 10% |
| วงจรจำกัด | ตัวดูดซับไฟกระชาก |
| เวลาตอบสนอง | 4ms |
| การใช้พลังงาน | 1W |
| แทนที่ด้วยตนเอง | โครงสร้างปุ่ม |
| คำแนะนำการดำเนินงาน | เมื่อขดลวดถูกจ่ายไฟ ไฟแสดงสถานะสีแดงจะสว่างขึ้น |
| วิธีการเดินสายไฟ | สีแดง:DC24V, สีดำ:COM |
| ประเภทการดำเนินการ | ความดันผสม | |
| สลับเอาต์พุต | เอ็นพีเอ็น, พีเอ็นพี | |
| ช่วงความดันที่ได้รับการจัดอันดับ | -100 ถึง 100kPa | |
| แสดง/ตั้งค่าช่วงความดัน | -101.2 ถึง 110kPa | |
| ความดันพิสูจน์ | ไม่เกิน 2 เท่าของแรงดันที่กำหนด | |
| แรงดันไฟฟ้า | DC12 ถึง 24V ± 10% | |
| การบริโภคในปัจจุบัน | 50mA หรือน้อยกว่า | |
| แสดงความแม่นยำ | ±3%Fหรือน้อยกว่า (อุณหภูมิแวดล้อม 25°C) | |
| สลับเอาต์พุต | เอาต์พุตควบคุม | แรงดันไฟฟ้า: DC30V หรือน้อยกว่า |
| โหลดปัจจุบัน: 100mA หรือน้อยกว่า | ||
| ค่าฮิสเทรีซิส | แรงดันตกค้าง: 1V หรือน้อยกว่า | |
| การทำซ้ำได้ | หน่วยแสดงผลขั้นต่ำ | |
| ความแม่นยำในการตอบสนอง | ±0.2%เอฟเอส | |
| ป้องกันการลัดวงจร | 2.5ms, 5ms, 100ms, 500ms เป็นตัวเลือก | |
| เอาต์พุตอะนาล็อก | บิวท์อิน | |
| แรงดันขาออก: DC1 ~ 5V ± 2% | ||
| ความละเอียด: 1/200 | ||
| ความเป็นเชิงเส้น: ± 2% FS หรือน้อยกว่า | ||
| ความต้านทานขาออก: 1kΩ | ||
| แสดง | จอแสดงผล LED ส่วน 10:37 | |
* ค่าความคลาดเคลื่อน ±3% FS มีไว้สำหรับการเปลี่ยนแปลง 'แรงดันไฟฟ้าเป็นศูนย์', 'แรงดันช่วง' และ 'ค่าการตั้งค่าเอาต์พุตการสลับ' เพื่อตอบสนองต่อ การใช้แรงกด ซ้ำๆ
มิติหลัก


แคตตาล็อก PDF
ไม่พบสินค้า