วีเอฟซี200-02
VPC Pneumatic
8421399000
| สื่อการทำงาน: | |
|---|---|
| อุณหภูมิในการทำงาน: | |
| ช่วงการปรับความดัน: | |
| ความแม่นยำของตัวกรอง: | |
| วัสดุชาม: | |
| สถานะห้องว่าง: | |
รายละเอียดสินค้า
VFC ประกอบด้วย วีเอฟอาร์ และ วี.แอลแต่ละยูนิตสามารถสั่งซื้อแยกกันได้
* เดอะ วี.เอฟ ตัวกรองที่มีตัวแยกน้ำจะทำความสะอาดอากาศอัดของน้ำมันของเหลว การควบแน่น และอนุภาคสิ่งสกปรกสำหรับการใช้งานพิเศษ ไส้กรองขนาด 20μm สามารถเปลี่ยนไส้กรองขนาด 5μm ได้
* เดอะ วีอาร์ เรกกูเรเตอร์จะรักษาแรงดันการทำงานที่ป้อนให้คงที่ แม้ว่าแรงดันในสายจะผันผวนและปริมาณอากาศที่ใช้
* เดอะ วี.แอล เครื่องหล่อลื่นจะเพิ่มปริมาณน้ำมันที่ได้รับการควบคุมลงในอากาศที่กรองแล้วปริมาณละอองน้ำมันเป็นสัดส่วนกับการไหล และสามารถเติมน้ำมันระหว่างการทำงานได้อัตราการหยดของน้ำมันถูกควบคุมโดยโบลต์แบบปรับได้โดยปกติ 1 ถึง 12 หยด/1,000 ลิตร
อากาศเพียงพอ
บันทึก
* แรงดันสูงสุดสำหรับท่อระบายน้ำอัตโนมัติ V Series คือ 0.8Mpa
* แรงดันสูงสุดสำหรับประเภทแรงดันต่ำคือ 0.4Mpa
* มีเธรด G, PT และ NPT
* เกจวัดแรงดันมีจำหน่ายที่ 10 บาร์หรือ 16 บาร์ สำหรับช่วงแรงดันอื่นๆ โปรด ติดต่อ VPC.

ข้อมูลจำเพาะของผลิตภัณฑ์
แบบอย่าง | วีเอฟซี200-01 | วีเอฟซี200-02 | วีเอฟซี200-03 | วีเอฟซี300-02 | วีเอฟซี300-03 | วีเอฟซี300-04 | วีเอฟซี400-02 | วีเอฟซี400-03 | วีเอฟซี400-04 | วีเอฟซี400-06 | |
| สื่อการทำงาน | อากาศบริสุทธิ์ (การกรอง 40 μm) | ||||||||||
| เจาะพอร์ต | G1/8 | G1/4 | G3/8 | G1/4 | G3/8 | G1/2 | G1/4 | G3/8 | G1/2 | G3/4 | |
| ความแม่นยำในการกรอง | 25 ไมโครเมตร หรือ 5 ไมโครเมตร | ||||||||||
| ช่วงแรงดันใช้งาน | 0.15 ถึง 0.8 MPa (20 ถึง 116 Psi) / 0.15 ถึง 1.2 MPa (20 ถึง 174 Psi) | ||||||||||
| พิสูจน์ความกดดัน | 1.0 เมกะปาสคาล (145 ปอนด์ต่อตารางนิ้ว) / 1.6 เมกะปาสคาล (230 ปอนด์ต่อตารางนิ้ว) | ||||||||||
| นาที. ความกดดันในการทำงาน | 0.8MPa (116 ปอนด์ต่อตารางนิ้ว) / 1.0 MPa (230 ปอนด์ต่อตารางนิ้ว) | ||||||||||
| อุณหภูมิในการทำงาน | 5 ถึง 60 ℃ | ||||||||||
| ความจุของโถระบายน้ำ | 15 ซีซี | 50 ซีซี | 80 ซีซี | ||||||||
| ความจุโถน้ำมัน | 30 ซีซี | 100 ซีซี | 160 ซีซี | ||||||||
| แนะนำน้ำมันหล่อลื่น | ISO VG 32 หรือเทียบเท่า | ||||||||||
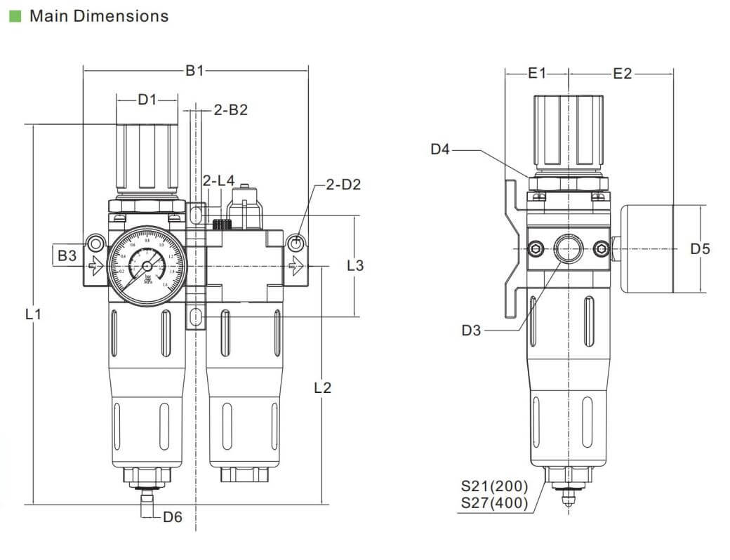
มิติข้อมูลหลัก



คำถามที่พบบ่อยเกี่ยวกับผลิตภัณฑ์
ไตรมาสที่ 1หน่วย FRL คืออะไร?
หน่วย FRL ประกอบด้วยตัวกรอง (F) ตัวควบคุม (R) และตัวหล่อลื่น (L)หน่วยเหล่านี้สามารถรวมกันเป็นหน่วยเดียวเพื่อให้แน่ใจว่าอากาศสะอาดในระบบนิวเมติกส์นอกจากนี้ยังสามารถใช้แต่ละส่วนประกอบแยกกันได้
ไตรมาสที่ 2หน่วย FRL คืออะไร อธิบายการทำงานและหน้าที่
อากาศอัดที่จ่ายให้กับระบบนิวเมติกส์มักจะปนเปื้อน มีแรงดันเกิน หรือไม่หล่อลื่นนี่คือที่มาของหน่วยสารหล่อลื่นตัวควบคุมตัวกรอง หน่วย FRL ใช้เพื่อช่วยป้องกันความเสียหายต่ออุปกรณ์ปลายน้ำโดยทำให้แน่ใจว่าอากาศอัดที่จ่ายให้กับเครื่องจักรไฟฟ้านั้นปราศจากการปนเปื้อน
ไตรมาสที่ 3ฉันจะเลือกหน่วย FRL ได้อย่างไร
ในกรณีส่วนใหญ่ คุณจะเลือกระหว่างยูนิต FRL ที่มี 2 หรือ 3 สเตจคุณทราบหรือไม่ว่าโซลูชันทั้งสองสามารถทำงานเดียวกันได้โซลูชันทั้งสองมีฟังก์ชัน 3 อย่างเหมือนกัน (การควบคุม การกรอง การหล่อลื่น)ความแตกต่างที่สำคัญระหว่าง FRL ทั้งสองประเภทนี้คือความสวยงามและความกะทัดรัด
ไตรมาสที่ 4น้ำมันชนิดใดที่ใช้ใน FRL หน่วย?
เติมน้ำมันหล่อลื่น ใช้น้ำมันเทอร์ไบน์ ISO VG 32 สำหรับเครื่องหล่อลื่นปลดการเชื่อมต่อแหล่งจ่ายอากาศขั้นแรก ให้ถอดอ่างน้ำมันเครื่องออกแล้วเติมน้ำมันให้ต่ำกว่าระดับสูงสุดเมื่อดึงจุกปิดลง ให้หมุนอ่างน้ำมันเครื่องไปด้านใดด้านหนึ่งเพื่อถอดออก
หากต้องการเรียนรู้เพิ่มเติมเกี่ยวกับ หน่วย FRLกรุณาติดต่อ VPC!
แค็ตตาล็อก PDF
ไม่พบสินค้า