ASE80-70-SH-WH
VPC Pneumatic
| วัสดุร่างกาย: | |
|---|---|
| เบื่อ: | |
| ช่วงจังหวะ: | |
| การรับประกันคุณภาพ: | |
| สถานะห้องว่าง: | |
รายละเอียดสินค้า
1. ตาม ISO21287 มาตรฐาน ขนาดการติดตั้งถือว่าทันสมัย
2. ตัวกระบอกสูบเชื่อมต่อกับเกลียวของฝาครอบด้านหน้าและด้านหลัง ทำให้เกิดความแข็งแรงสูงและการบำรุงรักษาที่สะดวก
3. เส้นผ่านศูนย์กลางภายในของตัวเครื่องผ่านการรีดตามด้วยการชุบอโนไดซ์แบบแข็ง ทำให้เกิดความทนทานต่อการเสียดสีและความทนทานที่ดีเยี่ยม
4. ซีลลูกสูบใช้โครงสร้างซีลสองทางที่ต่างกัน มีขนาดกะทัดรัดและทำหน้าที่สำรองน้ำมัน
5. โครงสร้างที่กะทัดรัดสามารถประหยัดพื้นที่การติดตั้งได้อย่างมีประสิทธิภาพห้าสิบเปอร์เซ็นต์ด้วย กระบอกมาตรฐาน ISO15552.
6. มีช่องสวิตช์แม่เหล็กรอบๆ ตัวกระบอกสูบ ซึ่งสะดวกในการติดตั้งสวิตช์เหนี่ยวนำ
7. มีกันชนและสามารถดูดซับพลังงานที่ขับออกมาได้
8.การติดตั้ง เครื่องประดับ มีข้อกำหนดต่างๆ ให้เลือก


※เกลียวมาตรฐานว่างเปล่าที่นี่

ข้อมูลจำเพาะของผลิตภัณฑ์
| เจาะ(มิลลิเมตร) | 12 | 16 | 20 | 25 | 32 | 40 | 50 | 63 | 80 | 100 | 125 |
| สื่อการทำงาน | อากาศบริสุทธิ์ (การกรอง 40um) | ||||||||||
| ประเภทการแสดง | การแสดงสองครั้ง | ||||||||||
| แบบกดเดี่ยวแบบกดแบบเดี่ยวแบบดึงแบบเดี่ยว | |||||||||||
| ความดัน | การแสดงสองครั้ง: 0.1 ถึง 1.0Mpa (14 ถึง 145psi) | ||||||||||
| การแสดงเดี่ยว: 0.2 ถึง 1.0Mpa (28 ถึง 145psi) | |||||||||||
| รับประกันความกดดัน | 1.5Mpa (215psi) | ||||||||||
| ช่วงความเร็ว | การแสดงสองครั้ง: 30 ถึง 500 มม./วินาที การแสดงเดี่ยว: 50 ถึง 500 มม./วินาที | ||||||||||
| ความอดทนของโรคหลอดเลือดสมอง | โรคหลอดเลือดสมอง≤100+1.0 โรคหลอดเลือดสมอง>100+1.5 | ||||||||||
| ประเภทเบาะ | กันชน | ||||||||||
| ขนาดพอร์ต | M5X0.8 | G1/8 | G1/4 | ||||||||
| ขนาดเจาะ(มิลลิเมตร) | จังหวะมาตรฐาน (มม.) | สูงสุด จังหวะมาตรฐาน | ||
| ประเภททั่วไป | การแสดงสองครั้ง | 12 | 5 10 15 20 25 30 35 40 45 50 | 50 |
| 16 | 5 10 15 20 25 30 35 40 45 50 55 60 70 75 | 75 | ||
| 20 | 5 10 15 20 25 30 35 40 45 50 55 60 70 75 80 90 100 | 100 | ||
| 25 | 5 10 15 20 25 30 35 40 45 50 55 60 70 75 80 90 100 110 120 125 150 | 150 | ||
| 32 40 | 5 10 15 20 25 30 35 40 45 50 55 60 70 75 80 90 100 110 120 125 150 160 175 200 | 200 | ||
| 50 63 | 5 10 15 20 25 30 35 40 45 50 55 60 70 75 80 90 100 110 120 125 150 160 175 200 225 250 | 250 | ||
| 80 100 125 | 5 10 15 20 25 30 35 40 45 50 55 60 70 75 80 90 100 110 120 125 150 160 175 200 225 250 275 300 | 300 | ||
| การแสดงเดี่ยว | 12 | 5 10 | 10 | |
| 16~100 | 5 10 15 20 25 | 25 | ||
| แอกไม่หมุน | การแสดงสองครั้ง | 12 | 5 10 15 20 25 30 35 40 45 50 | 50 |
| 16 | 5 10 15 20 25 30 35 40 45 50 55 60 70 75 | 75 | ||
| 20 25 | 5 10 15 20 25 30 35 40 45 50 55 60 70 75 80 90 100 | 100 | ||
| 32 40 | 5 10 15 20 25 30 35 40 45 50 55 60 70 75 80 90 100 | 100 | ||
| 50 63 | 5 10 15 20 25 30 35 40 45 50 55 60 70 75 80 90 100 | 100 | ||
| 80 100 | 5 10 15 20 25 30 35 40 45 50 55 60 70 75 80 90 100 | 100 | ||
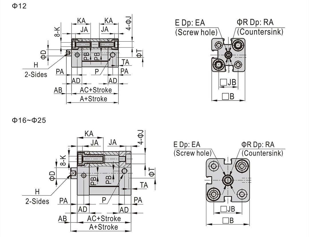
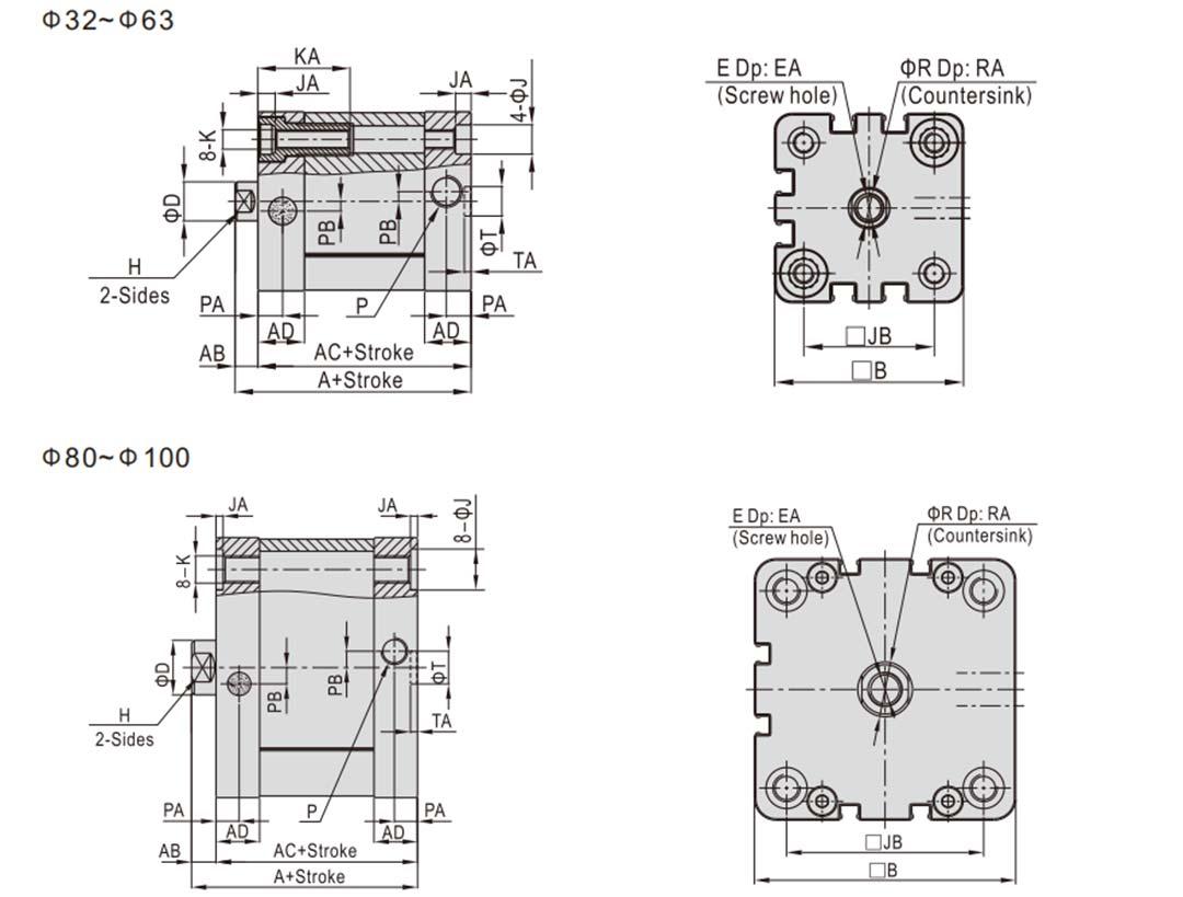
มิติข้อมูลหลัก





คำถามที่พบบ่อยเกี่ยวกับผลิตภัณฑ์
คำถามที่ 1: ฉันจะเพิ่มแรงดันในกระบอกสูบนิวแมติกได้อย่างไร
ตอบ: อีกวิธีหนึ่งในการเพิ่มหรือลดแรงที่เกิดจากกระบอกสูบคือการเลือกกระบอกสูบที่มีเส้นผ่านศูนย์กลางที่มีนัยสำคัญมากกว่า (แรงมากกว่า) หรือน้อยกว่า (แรงน้อยกว่า) โปรดจำไว้ว่า ยิ่งเส้นผ่านศูนย์กลางใหญ่ขึ้น พื้นที่ผิวของลูกสูบก็จะยิ่งมากขึ้น และความดันก็จะมากขึ้นตามไปด้วย
คำถามที่ 2: คุณจะปรับความเร็วของกระบอกลมได้อย่างไร?
ตอบ: เมื่อลูกสูบกระบอกสูบยืดออก อากาศด้านหลังจะถูกอัดเพราะอากาศไม่สามารถหลบหนีได้ง่าย เมื่อคุณขันสกรูควบคุมการไหลให้แน่น การเคลื่อนที่ของลูกสูบจะช้าลงเนื่องจากอากาศถูกจำกัดยิ่งขึ้นไปอีก ควบคุมความเร็วของกระบอกสูบหรือจำกัดการไหลของอากาศ เพียงหมุนวาล์วเข็มเพื่อปรับความเร็วลม
คำถามที่ 3: กระบอกสูบนิวแมติกสามารถผลิตแรงได้เท่าใด
ตอบ: หน่วยแรงตามทฤษฎีกระบอกสูบอากาศคือ N เช่นรูเจาะ 32 มม. ที่แรงกดทำงาน 0.1Mpa คือ 80.4N แผนภูมิได้มาจากสูตรการคำนวณของแรงทางทฤษฎีเพื่อใช้อ้างอิงเท่านั้น

◆ เครื่องคำนวณแรงกระบอกสูบนิวแมติก
คำถามที่ 4: คุณขายชุดซ่อมกระบอกนิวแมติกหรือไม่
ตอบ: มี เราจำหน่ายชุดซ่อมกระบอกสูบและอุปกรณ์เสริมอื่นๆ ทุกประเภท โปรดติดต่อเราหากคุณต้องการ
แคตตาล็อก PDF
ไม่พบสินค้า